Kit desarrollo ADK-85104: Guía de Inicio Rápido
En este artículo, exploraremos el Kit desarrollo ADK-85104 de Holt IC, diseñado para evaluar el HI-85104, el primer line driver cuádruple ARINC 429 con aislamiento de fallos. Este componente representa un hito en la aviónica moderna. Por ello, es fundamental comprender cómo poner en marcha su placa de evaluación, la ADK-85104, de manera eficiente. A continuación, detallaremos las características del chip y los pasos necesarios para realizar una demostración técnica completa y segura.
Tabla de Contenidos
Introducción al HI-85104: Innovación en ARINC 429
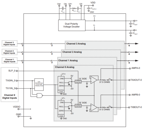
El HI-85104 es una solución revolucionaria del fabricante Holt IC. Se trata del primer line driver cuádruple ARINC 429 que incorpora aislamiento de fallos integrado. Esta característica es vital en sistemas críticos. Además, todas sus entradas lógicas pueden soportar eventos de descarga electrostática (ESD) de hasta 4kV. El dispositivo se alimenta con una fuente de 3.3V, simplificando el diseño del hardware. Asimismo, el rango de la fuente VDDIO es muy flexible, abarcando desde 1.8V hasta 5.0V. Gracias al Kit desarrollo ADK-85104, los ingenieros pueden verificar estas capacidades de forma práctica.
El HI-85104 cumple todos los requisitos de line drivers de la especificación ARINC 429. Además, el dispositivo cuenta con un estado de salida de alta impedancia (tristable) al encenderse o apagarse, lo que permite conectar varios line drivers a un bus común en entornos de prueba y de laboratorio. Una resistencia interna de 37,5 ohmios en las salidas TXOUT proporciona adaptación de impedancia para la conexión directa al bus ARINC 429. Los fusibles en serie integrados proporcionan protección contra transitorios de alta corriente, mientras que hay disponibles salidas de transmisión de cero ohmios opcionales para aplicaciones que requieran circuitos externos de protección contra rayos. Las salidas están protegidas internamente contra cortocircuitos.
El line driver cuádruple HI-85104 está diseñado para su uso en aplicaciones en las que las señales lógicas deben convertirse a niveles ARINC 429, como cuando se utiliza un FPGA o el circuito integrado de protocolo ARINC 429 HI-3220 de Holt. El componente está disponible en rangos de temperatura industrial (-40 °C a +85 °C) o ampliado (-55 °C a +125 °C). Se ofrece un proceso de burn in opcional para el rango de temperatura ampliado.

Puede consultar sus especificaciones en el siguiente enlace.
La Placa de Evaluación ADK-85104
La placa ADK-85104 permite probar exhaustivamente todas las funciones del driver. Esta plataforma de hardware facilita la conexión de señales digitales de entrada y la observación de las señales de salida diferenciales. Por consiguiente, es la herramienta ideal para validar el aislamiento de fallos en condiciones de cortocircuito. En los siguientes apartados, veremos qué equipo necesitas para empezar. Si buscas otros componentes semiconductores de alta fiabilidad, esta placa es un excelente punto de partida.
Puede consultar la guía original de Holt IC en el siguiente enlace.
Equipamiento Necesario para la Demostración
Antes de comenzar con el Kit desarrollo ADK-85104, debes preparar el siguiente material de laboratorio:
- Una fuente de alimentación de 3.3V con capacidad mínima de 1A.
- Un osciloscopio de al menos dos canales para monitorizar señales.
- Una fuente de datos digitales ARINC 429 para las entradas de transmisión.
Pasos para Configurar el Kit desarrollo ADK-85104
Configurar el kit es un proceso sencillo si se siguen las instrucciones adecuadas. En primer lugar, debes asegurar que todas las conexiones de alimentación sean correctas. Sigue estos pasos detallados para realizar tu primera prueba con éxito:
Paso 1: Conexión de Alimentación
Conecta la fuente de 3.3V a los terminales VDD_BUS y VDDIO de la placa. Es fundamental verificar la polaridad antes de encender la fuente. Por otro lado, asegúrate de que el GND esté común en todo el sistema de prueba.
Paso 2: Inyección de Señales de Entrada
Debes conectar tus señales digitales ARINC 429 al conector J2. Este conector se encuentra en el lado izquierdo de la placa de evaluación. Existen cuatro puertos de entrada digital disponibles. Sin embargo, puedes conectar todos a la misma fuente para realizar pruebas de sincronización rápidas.
Paso 3: Observación de las Salidas
Utiliza el osciloscopio para ver las salidas de señal ARINC 429 en los conectores J1 y J3. Estos se ubican en las partes superior e inferior de la placa. En condiciones normales, deberías observar una tasa de datos de 100Kbps con niveles de voltaje diferenciales estándar.
La imagen siguiente muestra una señal ARINC-429 en azul generada a partir de las entradas digitales que aparecen en amarillo y verde. La velocidad de transmisión es de 100 Kbps.

La imagen siguiente muestra las cuatro salidas de los drivers. Cada driver recibe los mismos datos de transmisión digitales ARINC-429.

Demostración del Aislamiento de Fallos
Una de las mayores ventajas del Kit desarrollo ADK-85104 es la capacidad de probar la protección contra cortocircuitos. Cada driver de transmisión está protegido individualmente. Por lo tanto, si ocurre un corto en una salida, el chip apaga ese canal específico. Sin embargo, el resto de los canales continúan transmitiendo sin ninguna interrupción. Esta independencia garantiza la integridad del sistema global en caso de fallo local.
Cada driver de transmisión cuenta con protección contra cortocircuitos en la salida. Cuando se detecta un cortocircuito, la salida se desactiva hasta la siguiente transmisión, momento en el que se realizará otra prueba de cortocircuito. La salida permanecerá desactivada hasta que se elimine el cortocircuito.
La imagen del osciloscopio que se muestra a continuación muestra cómo un canal presenta un cortocircuito, mientras que los demás canales continúan transmitiendo con normalidad.

La imagen del osciloscopio que se muestra a continuación muestra la señal de salida de un canal cuando los otros tres canales están en cortocircuito. Ninguna combinación de canales en cortocircuito afectará a los canales que no estén en cortocircuito. Cada canal reanudará la transmisión al inicio del siguiente mensaje cuando se elimine la condición de cortocircuito.

Comportamiento tras el Cortocircuito
Cuando el sistema detecta que el corto ha desaparecido, el canal afectado reanuda la transmisión automáticamente. Esto sucede al inicio del siguiente mensaje. Por consiguiente, el Kit desarrollo ADK-85104 demuestra que no hay daños permanentes en el silicio tras eventos de fallo severos.
La imagen siguiente muestra la transmisión de una señal de baja velocidad en las cuatro salidas.

Conclusiones y Documentación Adicional
El uso del Kit desarrollo ADK-85104 reduce significativamente el tiempo de diseño en proyectos de aviónica. Su capacidad de aislamiento es una garantía de seguridad sin precedentes. Además, la facilidad de uso de la placa ADK-85104 permite validar conceptos de forma inmediata. Te recomendamos descargar los archivos de diseño y esquemáticos para integrarlos en tu flujo de trabajo.
¿Quieres más información sobre este componente?, haz click en el siguiente enlace: Información oficial HI-85104.
Si necesitas asistencia técnica para implementar el Kit desarrollo ADK-85104 en tus diseños, nuestro equipo de expertos está a tu disposición. ¡Contáctanos hoy mismo para optimizar tus sistemas ARINC 429!
